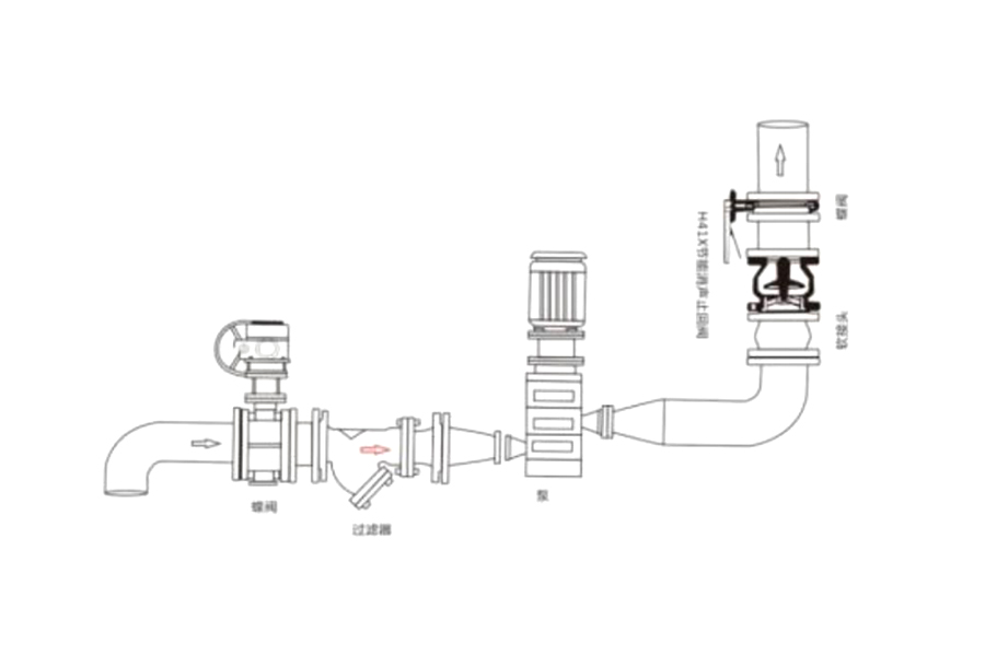
Schalldämpfer-Rückschlagventile eignen sich hauptsächlich für Wasserversorgungs- und Entwässerungssysteme von Hochhäusern, Feuerlöschwasserversorgungssysteme usw. Dieses Schalldämpfer-Rückschlagventil kann wirksam verhindern, dass das Medium zurückfließt und zerstörerische Wasserschläge verursacht, und die Wasserpumpe und andere Rohrleitungsgeräte schützen. Die wichtigsten Leistungsmerkmale seines Ventils sind wie folgt: 1. Dieses Ventil kann vertikal oder horizontal installiert werden. Das Ventil lässt sich flexibel anheben und absenken, arbeitet reibungslos, ist geräuscharm, sicher und weist selten Störungen auf. 2. Angemessene Struktur und gute Dichtungsleistung. 3. Verschleißfest und lange Lebensdauer.
中文简体




